Diodes Incorporated Driver LED lineari AL58812 a 12 canali
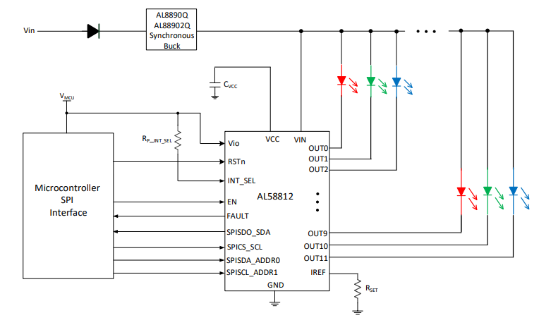
I driver LED lineari a 12 canali AL58812 di Diodes Incorporated incorporano 12 canali di corrente LED programmabili, ciascuno con un PWM interno a 12 bit per il controllo del colore e della luminosità tramite un'interfaccia digitale I2C o SPI. AL58812 è ideale per applicazioni di illuminazione con moduli LED RGB fino a quattro, con tre banchi programmabili (A, B, C) per la regolazione del colore controllata da software. Un resistore esterno può impostare la corrente di uscita globale di tutti i 12 canali. La corrente di ciascun canale può essere configurata digitalmente fino a 70 mA entro i limiti termici del package.I driver Diodes Inc AL58812 sono controllati tramite un'interfaccia digitale I2C/SPI, selezionabile tramite il pin INT_SEL. L'AL58812 è dotato di un generatore PWM a 30 kHz e 12 bit per ogni canale, e di registri di controllo della luminosità e della miscelazione del colore indipendenti dal canale/modulo, consentendo effetti LED vividi senza alcun rumore udibile.
I driver LED funzionano in un intervallo di temperatura ambiente da -40 °C a +85 °C e sono disponibili in un package W-QFN5050-40/SWP (Tipo A1) MSL livello 1.
Caratteristiche
- Tensione di ingresso da 2,7 V a 5,5 V
- 12 dissipatori di corrente LED di precisione
- Tensione dei pin OUT max 5,5 V
- Corrente di 70 mA per canale
- Registratore PWM a 12 bit con generatore PWM a 30 kHz
- Spostamento di fase PWM
- Dimming della corrente globale a 6 bit
- Registri di miscelazione del colore indipendenti
- Registri di controllo della luminosità indipendenti
- Controllo della luminosità su scala logaritmica o lineare
- Tre banche programmabili (A, B, C)
- VSAT a bassa caduta di tensione, tipicamente 200 mV a 70 mA
- Interfaccia digitale I2C o SPI selezionabile tramite hardware
- Supporto per interfaccia I2C 400 kHz e SPI fino a4 MHz
- Diagnosi e protezioni
- Pin di indicazione guasti a drenaggio aperto e registri
- Registri di maschera guasti individuali per ogni canale
- Protezione da sovratemperatura (OTP) con avviso pre-OTP
- Indicazione LED: circuito aperto/corto, sottotensione
- Spegnimento in stato di quiete a corrente ultra-bassa 1 μA:
- Modalità di risparmio energetico a 15 μA (max)
- Completamente privo di piombo e conforme a Direttiva RoHS
- Dispositivo “green” privo di alogeni e antimonio
- Per applicazioni automobilistiche che richiedono un controllo specifico delle modifiche
Applicazioni
- Elettrodomestici intelligenti
- Stazioni di ricarica per veicoli elettrici
- Schermi di infotainment
- Indicatori di informazioni IoT
- Hardware informatico
Circuito per applicazioni di interfaccia I2C
Circuito per applicazioni di interfaccia SPI
Pubblicato: 2025-09-30
| Aggiornato: 2025-11-05
