onsemi Controller flyback quasi risonanti NCP1345
I controller flyback quasi-risonanti NCP1345 di onsemi sono dispositivi altamente integrati progettati per convertitori di potenza USB-PD e USB Type-C™ off-line ad alte prestazioni. L'NCP1345 implementa un'architettura VCC a doppio− pin per un collegamento diretto all'avvolgimento ausiliario. La gestione semplificata della VCC consente di ridurre il numero di componenti e di aumentare le prestazioni.I controller flyback quasi-risonanti NCP1345 di onsemi offrono un circuito di limitazione della corrente di uscita preciso, basato sul lato primario, che consente un limite costante della corrente di uscita indipendentemente dalla tensione di uscita programmata o dalla potenza di uscita nominale.
L'NCP1345 offre diverse opzioni di protezione chiave, tra cui il rilevamento interno del calo di tensione, un limite massimo di corrente di uscita indipendentemente dalla tensione di ingresso e una protezione latched da sovratensione e sovratemperatura predisposta da NTC tramite un pin dedicato. Inoltre, il rilevamento della rimozione della linea scarica in modo sicuro i condensatori X2 quando la linea viene rimossa, garantendo la robustezza del convertitore.
Caratteristiche
- Circuito di avvio ad alta tensione integrato con rilevamento del calo di tensione
- Capacità di scarica del condensatore X2 integrata
- Ampio intervallo di VCCL da 8 V a 38 V
- 150V VCCH pin per il collegamento all'avvolgimento ausiliario ad alta tensione
- Protezione da sovratensione 36,5 VCC
- Limitazione della corrente di uscita costante basata sul lato primario
- Protezione contro le sovracorrenti anomale per il rilevamento dei cortocircuiti degli avvolgimenti
- Spegnimento della temperatura interna
- Funzionamento di commutazione a valle con blocco a valle per un funzionamento privo di rumore
- Ripiegamento rapido della frequenza per una rapida riduzione della frequenza di commutazione
- Modalità Skip (salta) con compensazione della tensione di uscita
- Consumo di energia a vuoto ridotto al minimo
- Jittering di frequenza per ridurre la firma EMI
- Protezione da sovraccarico a scatto o a recupero automatico
- Protezione da sovralimentazione regolabile
- Morsetto a frequenza massima fissa/regolabile
- Pin di guasto per condizioni di guasto gravi, compatibile NTC per OTP
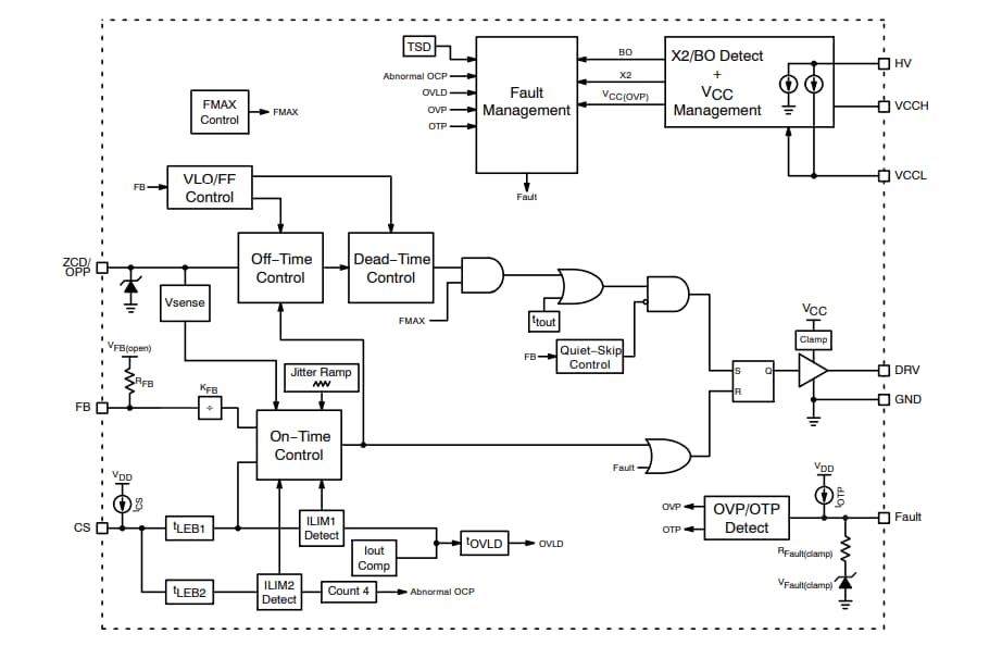
Schema a blocchi
Circuito di applicazione tipico
