onsemi Convertitore Buck sincrono integrato NCP3237
Il convertitore Buck sincrono integrato NCP3237 di onsemi comprende un MOSFET di potenza per fornire una soluzione di gestione dell'alimentazione compatta e ad alta efficienza. L’NCP3237 supporta fino a 8 A di corrente di uscita su un ampio intervallo di tensioni di uscita da 0,6 V a 12 V (fino all ' 80% di VIN). L'NCP3237 fornisce un regolatore di frequenza fisso per i sistemi sensibili al rumore in un package QFN18 da 3,5mm x 3,5mm.Caratteristiche
- CCM forzato
- Da 4,7 V a 16 VIN
- VOUT = da 0,6 V a 0,80 * VIN e fino a 12 V
- MOSFET di potenza integrati
- Corrente di uscita fino a 8A
- LDO da 5V integrato
- Frequenza di commutazione programmabile da 300 kHz a 1,2 MHz
- Funzionamento OCP (high-side e low-side)
- Protezione da sovracorrente
- Protezione da sovratensione e sottotensione
- Protezione da esclusione termica recuperabile
- Package FCQFN18 da 3,5 mm x 3,5 mm
- Avviamento sicuro con tensione di uscita pre-polarizzata
Applicazioni
- Unità radio della stazione base
- Punto di carico
- Telecomunicazioni e reti
- Server e sistema di archiviazione
Circuito di applicazione tipico
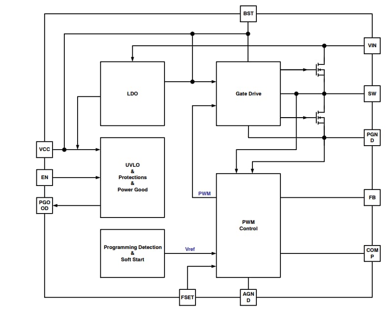
Diagramma a blocchi funzionale
Pubblicato: 2021-08-09
| Aggiornato: 2024-01-04
