Microchip Technology Driver di gate XIFM
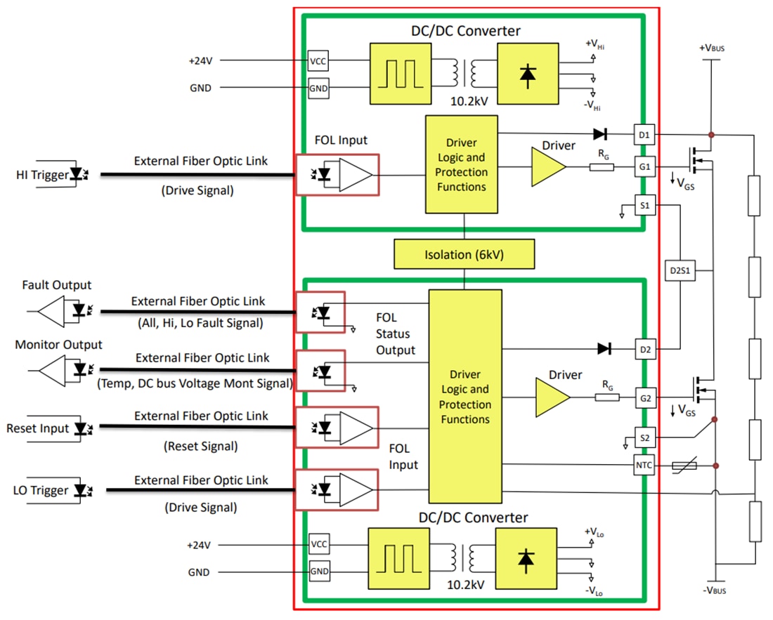
Il driver di gate XIFM di Microchip è un driver di gate mSiC™ intelligente e isolato plug and play progettato per pilotare moduli SiC da 3,3 kV in pacchetti ad alta tensione (HV) come HV LinPak/HV100. Il driver di gate XIFM di Microchip include il controllo del gate drive, l'alimentazione, l'interfaccia in fibra ottica e l'isolamento ad alta tensione (10,2 kV).Caratteristiche
- Supporta moduli SiC HV100/LinPak da 3,3 kV
- Isolamento primario-secondario di 10,2 kV
- Commutazione aumentata (attivazione e disattivazione configurabili)
- Funzioni di monitoraggio (temperatura isolata, monitoraggio del collegamento CC)
- Funzionalità di protezione avanzata (UVLO, OVLO, Desat, coefficiente di temperatura negativo (NTC))
- Potenza di uscita 2 x 10 W
- Corrente di sorgente/sink di picco da 15 A
- Tensioni di uscita del gate configurabili
- Tempo e livello di tensione di arresto progressivo (SSD)
- Conforme alle norme seguenti
- Standard ferroviario EN50155
- Conforme EMC alla EN 50121-3-2, EN 61000-6-4
- Urti e vibrazione secondo EN 61373
- Livello di rischio d'incendio HL2
Applicazioni
- Trazione rail (sistemi ausiliari e di propulsione)
- Sistemi di carica della batteria
- Generazione di distribuzione intelligente/collegata alla rete
- Sistemi di alimentazione ininterrotta (UPS)
- Azionamenti motori industriali
- Attrezzature per impieghi gravosi
- Caricatori rapidi/caricatori a media tensione
Schema di base
Pubblicato: 2025-01-13
| Aggiornato: 2025-01-31
