Microchip Technology Progetto di riferimento EV32R56A
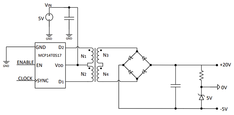
Il progetto di riferimento EV32R56A Microchip Technology è un generatore di polarizzazione isolato per driver di porta in carburo di silicio (SiC) basato su il driver trasformatore a push-pull MCP14T0517B. Il driver funziona con una tensione di ingresso di 5 V. La scheda fornisce una tensione di polarizzazione regolata e isolata galvanicamente di +20 V rispetto a 0 V e -5 V rispetto a 0 V fino a 100 mA di corrente. La scheda Microchip è dotata di un pin ENABLE configurabile per il controllo e la sincronizzazione esterni. I driver MCP14T0517A/B sono progettati per applicazioni di alimentazione isolata afattore di forma piccolo con una frequenza di commutazione di 150 kHz per MCP14T0517A e 450 kHz per MCP14T0517B. MCP14T0517A/B consente la sincronizzazione con più dispositivi e il funzionamento a frequenze più elevate applicando un clock esterno fino a 1.000 kHz.Caratteristiche
- Basato sul driver del trasformatore push-pull MCP14T0517B
- Tensione di ingresso (VIN) 5 V
- Tensioni di uscita
- +20 V rispetto a 0 V
- -5 V rispetto a 0 V
- Corrente di uscita fino a 100 mA (per la tensione di uscita di +25 V rispetto a -5 V)
- Frequenza di commutazione di 450 kHz
- Protezioni da sovracorrente e da temperatura eccessiva
- Conforme a RoHS
Applicazioni
- Alimentatori IsolatI per MOSFET e IGBTs SiC/Si
- Generatori di polarizzazione per interfacce di comunicazione isolate (CAN, LIN, USB ecc.)
- Generatori di polarizzazione per rilevamento circuiti isolati
Contenuto del kit
- Generatore di polarizzazione isolato per progetto di riferimento PCB di driver di porta SiC (EV32R56A)
- Due connettori basetta 2,54 mm a 3 pin per segnali di ingresso e uscita
- Scheda informativa importante
Diagramma a blocchi
Panoramica
Pubblicato: 2026-01-20
| Aggiornato: 2026-02-02
