Microchip Technology ATECC608A DT100104 Trust Development Board
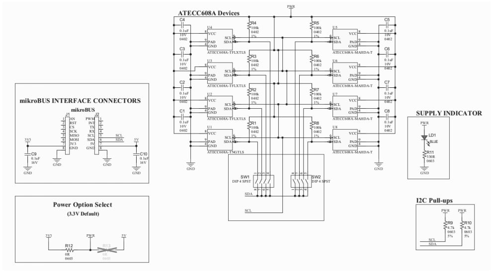
Microchip ATECC608A DT100104 Trust Development Board is an add-on board to the DM320118. The DT100104 Trust Development Board contains the ATECC608A-TNGTLS (Trust&GO), ATECC608A-TFLXTLS (TrustFLEX), and ATECC608A-MAHDA (TrustCUSTOM) secure elements. The ATECC608A secure elements of Trust&GO, TrustFLEX, and TrustCUSTOM allow the ability to develop solutions based on the application's requirements.The DT100104 Trust Board supports a mikroElectronica header that connects to any board with a mikroBUS connection. The DT100104 Board provides an alternative to the sample units that require a socket board for initial development and testing.
Features
- Contains 8 ATECC608A secure elements
- 1 Trust&GO: ATECC608A-TNGTLS
- 3 TrustFLEX: ATECC608A-TFLXTLS
- 4 TrustCUSTOM: ATECC608A-MAHDA
- mikroBUS header for connecting to any mikroBUS host header
- Can also be connected to any Microchip Xplained boards using ATMBusAdapter
- DIP switch to select the required secure element for development purposes
- Ability to select one device of each type (max 3)
Videos
Front & Back View
Connections to an Xplained Pro Development Platform
Schematic
DT100104 connected to a CryptoAuth Trust Platform Dev Board
Pubblicato: 2019-10-04
| Aggiornato: 2025-07-28
