MACOM Scheda di valutazione CMPA1C1D080F-AMP
La scheda di valutazione CMPA1C1D080F-AMP di Wolfspeed consente agli utenti di valutare l'amplificatore di potenza CMPA1C1D080F. L'amplificatore di potenza MMIC GaN da 12,75 GHz a 13,25 GHz CMPA1C1D080F utilizza il GaN da 0,25 um ad alte prestazioni di Cree sul processo di produzione SiC. L'HPA è offerto in un package a flangia e bullone che fornisce un'eccezionale gestione termica.La scheda di valutazione CMPA1C1D080F-AMP di Wolfspeed è fornita con l'amplificatore CMPA1C1D080F installato.
Caratteristiche
- PSAT tipico: 90 W
- Efficienza di potenza aggiunta tipica: >21%
- Guadagno per piccoli segnali: 25 dB
- Potenza di uscita totale: 20 W a -30 dBc IM3
- Funzionamento fino a 40 V
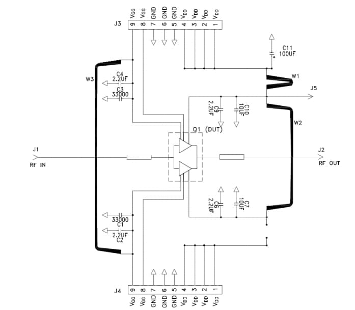
Circuito di applicazione
Pubblicato: 2021-09-10
| Aggiornato: 2024-01-17
