Littelfuse MHP-TAC Mini-Breakers
Littelfuse MHP-TAC Mini-Breakers are metal hybrid PPTC devices that are in a smaller size than typical MHP-TAM devices. The MHP technology connects a bimetal protector in parallel with a Polymeric Positive Temperature Coefficient (PPTC) device. These mini-breakers act as a heater and keep the bimetal latched until the fault is removed. The MHP-TAC helps to provide resettable overtemperature protection and meet the battery safety requirements of higher-capacity Lithium (Ion) Polymer and Prismatic batteries. These are found in most mobile devices such as laptop PC’s, tablets, and smartphones. Littelfuse MHP-TAC Mini-Breakers are available in 4.75mm x 2.8mm x 0.8mm dimensions that allow for ultra pack designs.Features
- Miniature Thermal Cutoff (TCO) device
- High voltage rating (12VDC), two levels of current rating (15A and 6A)
- Overtemperature and overcurrent protection for lithium (Ion) polymer and prismatic cells
- Multiple activation temperature ratings:
- +72°C, +77°C, +82°C, +85°C, and +90°C
- 4.75mm x 2.8mm x 0.8mm dimensions
Applications
- Notebook PCs
- Ultrabooks
- Tablets
- Smartphone
- E-cigarettes
- Battery-powered portable devices
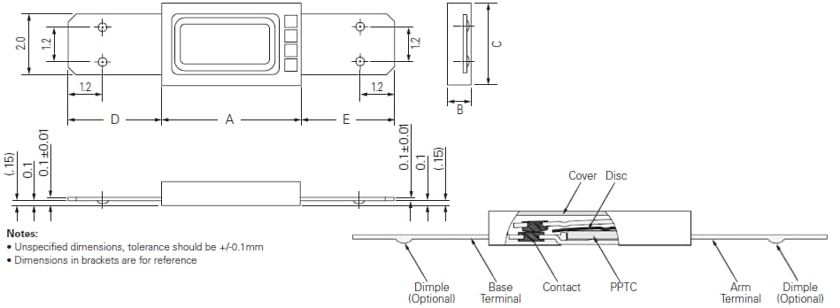
MHP-TAC Dimensions
Videos
Current Vs. Temperature Curves
Pubblicato: 2018-08-12
| Aggiornato: 2023-03-29
