Infineon Technologies Controller combinato PFC + flyback ibrido XDPS2221
Il Controller combinato PFC + flyback ibrido XDPS2221 di Infineon Technologies è un dispositivo altamente integrato che include un controller PFC multimodale CA-CC e un controller flyback ibrido multimodale CC-CC. La combinazione del PFC multimodale ad alte prestazioni e del flyback ibrido in un singolo package riduce i componenti DIBA esterni e ottimizza le prestazioni del sistema armonizzando il funzionamento delle due fasi. Il controller combinato XDPS2221 di Infineon è disponibile in un package DSO-14 (150 millesimi di pollice/3,8 mm).Caratteristiche
- Funzione di scarica X-cap attiva certificata IEC62368-1
- PFC multimodale ad alte prestazioni con funzionamento in modalità di conduzione critica
- Topologia flyback ibrido multimodale ad alta efficienza con periodo di risonanza adattivo
- Package DSO-14 (150 millesimi di pollice/3,8 mm)
- Supporta l'intervallo di potenza esteso (EPR) V3.1 USB-PD standard con un'ampia tensione di uscita fino a 28 V (36 V/48 V da coprire con XDPS2222)
- Controller combinato altamente integrato per la topologia PFC e flyback ibrido, che include una cella di avvio da 600 V con funzionalità di scarica X-cap
Applicazioni
- Adattatori e caricatori
- con densità di potenza ultra-elevata
- con intervallo di potenza esteso (EPR)
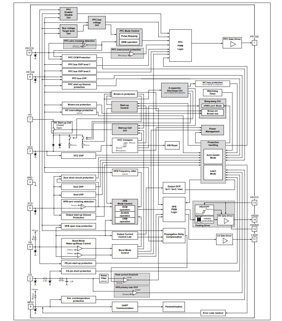
Schema a blocchi
Pubblicato: 2022-11-16
| Aggiornato: 2022-11-30
