Infineon Technologies CI driver di gate MOTIX™ TLE9189
I CI driver di gate MOTIX™ TLE9189 di Infineon Technologies sono CI a 3 fasi progettati per applicazioni di sicurezza per motori CC brushless a 12 V. Questi circuiti integrati driver sono conformi agli standard AEC-Q100 Grado 0 e ISO 26262, rendendoli ideali per i sistemi brake-by-wire e steer-by-wire in cui in futuro saranno eliminate le connessioni meccaniche convenzionali. Le funzionalità aggiuntive includono un concetto di controllo del motore convenzionale che consiste in un ingresso PWM e amplificatori di rilevamento di corrente integrati per un rilevamento della corrente preciso. I circuiti integrati MOTIX TLE9189 Gate Driver di Infineon Technologies includono un'esclusiva funzione di controllo MOSFET adattivo che può aiutare a migliorare le prestazioni EMC, raggiungere il tempo di commutazione desiderato e ridurre le perdite di potenza.Caratteristiche
- Driver trifase a ponte ad alta potenza per la commutazione di 6 FET a canale N con un QGtot di 200 nC a una frequenza PWM di 20 kHz
- Stadi di uscita controllati da sorgente di corrente Gxx con controllo adattivo del gate MOSFET
- Duty cycle da 0% a 100% e regolabile senza restrizioni
- 3 amplificatori di rilevamento di corrente per la misurazione della corrente dello shunt laterale con un'elevata precisione del 1% e un tempo rapido di stabilizzazione di 1μs
- Intervallo di tensione di alimentazione specificato pienamente funzionante da 4,2 V a 36 V per sistemi di alimentazione con batteria da 12 V.
- Reazioni di guasto configurabili, inclusa la funzione di freno del motore
- Funzioni di monitoraggio e diagnostica estese tramite interfaccia periferica seriale (SPI)
- Sviluppato secondo la norma ISO 26262 ASIL-D
- Pin di controllo dello stato di sicurezza aggiuntivo SOFF_N
- Pin di ingresso e uscita digitale ad alta tensione nominale
- Elemento di sicurezza ISO 26262 fuori contesto per i requisiti di sicurezza fino a ASIL D
- Barriera di sicurezza per l'interfaccia del microcontroller
- Watchdog con finestra SPI per la supervisione del microcontroller
- Blocco passivo dei FET esterni
- Modalità a corrente di riposo ridotta
- Piedinatura ottimizzata
- Prodotto ecologico (conforme a RoHS)
- Certificati AEC
Applicazioni
- Servosterzo elettrico (EPS)
- Potenziatori elettrici dei freni (EBB)
- Azionamenti motori BLDC o PMSM relativi alla sicurezza funzionale
Video
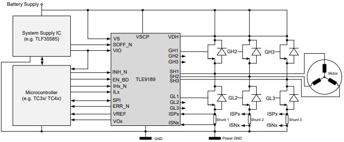
Schema a blocchi
Pubblicato: 2024-11-04
| Aggiornato: 2025-09-26
