Texas Instruments Modulo di valutazione TRF-LSC-AFE7950EVM
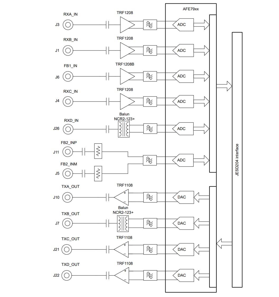
Il modulo di valutazione TRF-LSC-AFE7950EVM di Texas Instruments fornisce i requisiti e le opzioni di interfaccia per la valutazione della famiglia AFE79xx di ricetrasmettitori di campionamento RF integrati, che include l' amplificatore single-ended-differenziale TRF1208 su RX e l' amplificatore differenziale-single-ended TRF1108 su TX. L'AFE79xx supporta fino a quattro canali di trasmissione, quattro di ricezione e due canali di feedback (4T4R2F) e integra un anello ad aggancio di fase (PLL) e un oscillatore controllato in tensione (VCO) per generare clock di conversione dati.Il modulo di valutazione TI TRF-LSC-AFE7950EVM incorpora il generatore di clock LMK04828 per fornire clock di riferimento e SYSREF al front-end analogico (AFE) e catturare la scheda (rete di porte programmabili dall'utente FPGA). Il modulo di valutazione (EVM) impiega un singolo ingresso da 5,5 V e contiene circuiti di gestione dell'alimentazione completi. Le opzioni di clocking esterne includono il supporto per l'alimentazione del clock di riferimento (per il PLL integrato).
Caratteristiche
- Funziona con un'alimentazione singola da 5,5 V
- Include la generazione di clock integrata
- Front-end RF con amplificatori S2D e D2S >8 GHz
Applicazioni
- Aziona direttamente il campionamento RF o gli adc Gsps
- Adatto per applicazioni aerospaziali e di difesa con supporto fino a banda X
- Alta linearità per supportare i sistemi 5G di nuova generazione
- Basso rumore per una migliore integrità del segnale
- Dimensioni ridotte del sistema con un ingombro ridotto e l'eliminazione del balun RF passivo
- Radar a matrice di fase
- Modalità di spegnimento a bassa potenza con controllo PD digitale per progettazione di sistema ottimizzata
- Radio militari
- Digitalizzatore ad alta velocità
- BTS wireless 4G/5G
- Simmetrizzatore attivo RF
- Prova e misurazione
Contenuto del kit
- TRF-LSC-AFE7950EVM
- Cavo USB Type Mini-B
- Cavo di alimentazione
Layout
Diagramma a blocchi
Pubblicato: 2025-09-14
| Aggiornato: 2025-09-21
