Diodes Incorporated Switch Mux/DeMux 1:2 USB 2.0 ad alta velocità PI3USB3000
Lo switch Mux/DeMux USB 2.0 1:2 ad alta velocità PI3USB3000 di Diodes Incorporated è un interruttore multiplatore/demultiplatore a canale differenziale da 2 a 1 in un package UQFN-10. Lo switch offre pin D± in grado di tollerare tensioni fino a 9 V. A 4,75 V, la protezione da sovratensione (OVP) viene implementata per spegnere immediatamente i canali quando viene rilevata una condizione di sovratensione sul dispositivo. PI3USB3000 di Diodes Inc. supera i segnali USB 2.0 e MHL con una larghezza di banda di 5,5 GHz per fornire un'eccellente integrità del segnale e un'apertura del diagramma oculare.Caratteristiche
- Mux/Demux 2:1 differenziale bidirezionale
- Ampio intervallo di tensione di ingresso: da 0 V a 3,6 V
- Interruttore mobile ad alta definizione (MHL):
- Larghezza di banda (-3 dB): 5,3 GHz
- RON (tipico): 5,7 Ω
- CON (tipico): 1,5 pF a 240 MHz
- Larghezza di banda (-3 dB): 5,3 GHz
- Interruttore USB:
- Larghezza di banda (-3 dB): 5,5 GHz
- RON (tipico): 4,6 Ω
- CON (tipico): 1,5 pF a 240 MHz
- Larghezza di banda (-3 dB): 5,5 GHz
- Ritardo di propagazione basso: 0,1 ns tipico
- Bassa off-isolation: -34 dB a 240 MHz
- Bassa diafonia: -37 dB a 240 MHz
- Basso consumo energetico: 35 µA tipico
- Ampio intervallo di tensione di alimentazione: da 1,8 V a 5,5 V
- Supporta la logica da 1,8V sui pin di controllo
- Funzione di protezione
- Protezione da spegnimento per ridurre le perdite di corrente in modalità di spegnimento
- Pin del connettore con tolleranza ad alta tensione d± a 9 V
- Protezione da sovratensione a D±
- Ampio intervallo di temperatura: da -40 °C a +85 °C
- Completamente privo di piombo e conforme a RoHS
- Dispositivo “green” privo di alogeni e antimonio
- Package (privo di piombo e green)
- 10 contatti, UQFN (ZUA), 1,5 mm x 2 mm, 0,5 mm (H), passo 0,6 mm
Applicazioni
- Smartphone
- USB-C®
- Tablet
- NBs
- PC
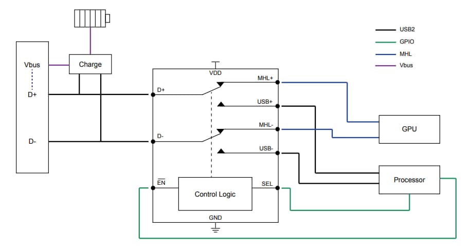
Schema a blocchi
Applicazione tipica
Pubblicato: 2023-03-29
| Aggiornato: 2023-04-06
