Diodes Incorporated Regolatori ULDO a basso rumore AP7372
I regolatori Diodes Incorporated AP7372 ULDO a basso rumore sono progettati per offrire prestazioni eccezionali in applicazioni sensibili al rumore. Operando da 2,7 V a 20 V e fornendo fino a 200 mA corrente di uscita questi regolatori funzionalità alta potenza forniscono il rifiuto di fornitura (PSRR) di 90 dB a 10 kHz garantendo la stabilità funzionamento in analogico ad alte prestazioni e circuiti a segnale misto. Con un rumore all'uscita di soli 8μVRMS, indipendentemente dalle opzioni fisse tensione di uscita (1,8 V 2,5 V 3,3 V e 5.0 V), AP7372 raggiunge eccellenti prestazioni di linea e carico risposta transitoria. Inoltre, il dispositivo offre una funzionalità di avvio progressivo programmabile, una tensione di dropout bassa di 120 mV a 200 mA ed è stabile con un condensatore di uscita in ceramica da 2,2 μF. Queste caratteristiche rendono l'AP7372 ideale per applicazioni come circuiti ADC e DAC, amplificatori di precisione e alimentazione per controlli VCO VTUNE.Caratteristiche
- Rumore di soli 8μVRMS indipendente dalla tensione di uscita fissa
- PSRR alto
- 90 dB a 10 kHz
- 70 dB a 100 kHz
- 52 dB a 1 MHz
- Intervallo di tensione in ingresso da 2,7 V a 20 V
- Corrente di uscita massima di 200 mA
- Alta precisione della tensione di uscita: ±0,8%
- Precisione ±1,8% su linea, carico e temperatura, portata da -40 °C a +125 °C
- Bassa tensione di dropout di 120 mV a I OUT= 200 mA tipico
- Avvio progressivo programmabile dall'utente
- Bassa corrente di riposo tipico 66 μA
- Bassa corrente di spegnimento
- 3,1μA at VIN = 5V
- 3.3μA at VIN =,20V
- Stabile con un condensatore di uscita in ceramica da 2,2 μF
- Uscita regolabile da 1,2 V a VIN– VOD, l'uscita può essere regolata al di sopra del punto di impostazione iniziale
- Terminali
- Finitura NiPdAu su terminali in rame
- Saldabile per MIL-STD-202, metodo 208
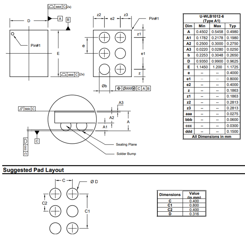
- Package U-WLB1012-6 (Tipo A1)
- Livello di sensibilità all'umidità (MSL) 1 secondo J-STD-020
- Completamente privo di piombo e conforme a RoHS
- Dispositivo “green” privo di alogeni e antimonio
Applicazioni
- Regolazione di applicazioni sensibili al rumore
- Circuiti ADC e DAC
- Amplificatori di precisione
- Alimentazione per controlli VCO VTUNE
- Comunicazioni e infrastrutture
- Settore medico e sanitario
- Settore industriale e strumentazione
Risorse aggiuntive
Applicazione tipica
Diagramma a blocchi
Dimensioni
Pubblicato: 2025-04-21
| Aggiornato: 2025-07-31
