Broadcom Ricetrasmettitore wireless ottico AFBR-FS13B25
Il ricetrasmettitore wireless ottico AFBR-FS13B25 Broadcom consente di comunicare dati in spazio libero a una velocità massima di 1,25 Gb/s consentendo la comunicazione senza connettori/cavi in una varietà di applicazioni. Questo ricetrasmettitore presenta una comunicazione bidirezionale full-duplex con intervallo di distanza da 30 mm a 60 mm, in aggiunta a un fattore di forma ridotto per un design di sistema compatto. Il ricetrasmettitore AFBR-FS13B25 mantiene la piena funzionalità su una rotazione a 360° intorno all'asse ottico, riducendo la complessità dell'allineamento a livello di sistema. Idealmente, questo ricetrasmettitore wireless è utilizzato nella comunicazione ottica wireless, nei flussi di dati ottici rotanti e nelle applicazioni di comunicazione scheda-scheda.Caratteristiche
- Velocità di trasferimento dati fino a 1,25 Gb/s
- Intervallo di distanza da 30 mm a 60 mm
- Full-duplex bidirezionale
- Piena funzionalità su rotazione a 360°
- Fattore di forma ridotto
- Lunghezza d'onda ottica nominale 850 nm
- Alimentazione singola a 3,3 V
- Intervallo di temperatura operativa da -10 °C a +85 °C
- Saldabilità SMT
- Prodotto laser di classe 1
- Conformità RoHS-6
Applicazioni
- Comunicazione wireless ottica
- Comunicazione wireless ottica a finestra
- Flusso dati ottico rotativo
- Comunicazione scheda-scheda
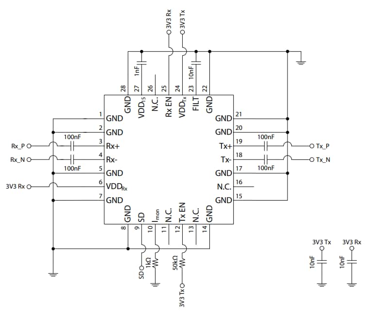
Circuito di applicazione tipico
Schema a blocchi
Pubblicato: 2022-03-15
| Aggiornato: 2022-03-22
