Broadcom Fotoaccoppiatori rilevatori di tensione/corrente ACPL-K378
I fotoaccoppiatori ACPL-K378 di Broadcom con rilevatore di tensione/corrente isolato sono dotati di soglie superiore e inferiore regolabili. I dispositivi utilizzano buffer di ingresso con sensore di soglia che consentono il controllo dei livelli di soglia su una vasta gamma di tensioni di ingresso con un singolo resistore esterno. Il buffer di ingresso incorpora diverse caratteristiche, tra cui immunità alla commutazione, isteresi per una maggiore immunità al rumore e un ponte a diodi per un facile utilizzo con diodi di bloccaggio interni e segnali di ingresso CA. Questa funzione protegge il buffer e il LED da un'ampia gamma di transitori di sovratensione e sovracorrente. Le variazioni nell'accoppiamento ottico dal LED al rilevatore non influiscono sui livelli di soglia perché il rilevamento della soglia viene effettuato prima dell'attivazione del LED.Il buffer di ingresso del circuito integrato dell'ACPL-K378 Broadcom ha una soglia di attivazione nominale di 1,3 mA (ITH+) e 3,8 V (VTH+). Lo stadio di uscita ad alto guadagno è dotato di un'uscita a collettore aperto che fornisce sia tensioni di saturazione compatibili con TTL sia tensioni di breakdown compatibili con CMOS. L'utente riceve un componente ideale per le schede di ingresso dei computer di controllo industriale e altre applicazioni in cui è desiderabile un livello di soglia di ingresso predeterminato, combinando diverse funzioni uniche in un unico package.
Caratteristiche
- Ampio intervallo di rilevamento CA o CC
- Livelli di rilevamento singoli/doppi configurabili dall'utente
- Isteresi integrata che migliora l'immunità al rumore
- Uscita compatibile con la logica
- Ampia tensione di alimentazione in uscita da 2 V a 18 V
- Intervallo di temperatura di funzionamento da -40 °C a +105 °C
- Package SSO-8
- Approvazione per la sicurezza e la normativa
- Certificazione UL 1577: 5000 Vrms per 1 minuto
- Approvazione CSA
- Approvazione IEC/EN/DIN EN 60747-5-5 per isolamento rinforzato
Applicazioni
- Rilevamento dell'interruttore di fine corsa
- Rilevatori a bassa tensione
- Rilevamento della tensione di rete CA e del collegamento CC
- Monitoraggio dei contatti dei relè
- Monitoraggio della tensione della bobina dei relè
- Rilevamento della corrente
- Interfaccia con microprocessore
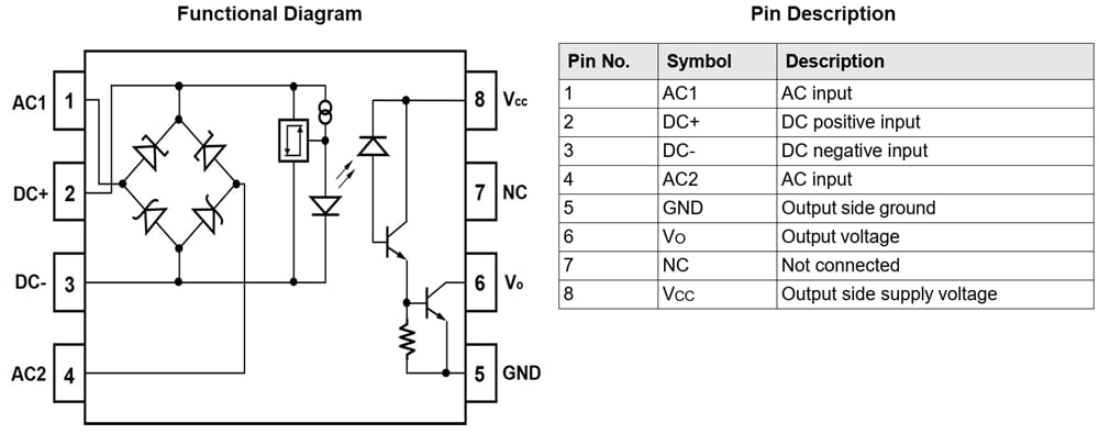
Schema funzionale/Descrizione dei pin
Pubblicato: 2025-11-26
| Aggiornato: 2025-12-15
