Broadcom Driver fotovoltaici per applicazioni automotive ACPL-K305T
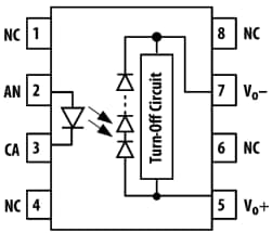
I driver fotovoltaici per autoveicoli Broadcom ACPL-K305T con isolamento R2Coupler™ sono progettati per pilotare MOSFET e/o IGBT ad alta tensione. Questi driver forniscono un isolamento e un'affidabilità rinforzati che offrono un isolamento del segnale sicuro, fondamentale nel settore automobilistico e nelle applicazioni industriali ad alta temperatura. I driver ACPL-K305T sono costituiti da uno stadio di ingresso LED infrarosso AlGaAs accoppiato otticamente a un circuito di rilevamento dell'uscita. Il rilevatore è costituito da una serie di diodi fotovoltaici e da un circuito di spegnimento. Il driver fotovoltaico si accende con una corrente di ingresso minima di 3 mA attraverso il LED di ingresso. Il driver MOSFET si spegne con una tensione di ingresso di 0,6 V o inferiore. I driver ACPL-K305T sono utilizzati in applicazioni come il controllo di relè a stato solido, il controllo dell'interruttore di alimentazione laterale, i sistemi di gestione della batteria e i circuiti di precarica/scarica attiva in sistemi ad alto voltaggio.Caratteristiche
- Isolamento R2Coupler™
- Qualificato secondo le linee guida del test AEC-Q100
- Intervallo delle temperature per il settore automobilistico da -40 °C a 125 °C
- Guida esterna MOSFET di potenza/IGBT senza alimentazione secondaria isolata
- Guida IF a basso valore di 3 mA
- Tensione a circuito aperto di 7,1 V (tipica) a IF = 10 mA
- 59 μA corrente di cortocircuito (tipica) a IF = 10 mA
- Velocità di commutazione rapida per IF = 10 mA, CL = 1 nF
- Tempo di accensione di 0,07 ms (tipico)
- Tempo di spegnimento di 0,02 ms (tipico)
- Approvazioni normative:
- UL/cUL 1.577 5kVRMS per 1 minuto
- IEC/EN 60747-5-5 VIORM = 1260VPEAK
Applicazioni
- Relè a stato solido
- Circuito di precarica/scarica attiva nel sistema ad alta tensione
- Controllo dell'interruttore di alimentazione laterale alto
- Sistema di gestione della batteria
Diagramma funzionale
Circuito di applicazione tipico
Pubblicato: 2025-02-19
| Aggiornato: 2025-03-25
