Bourns Trasformatore LAN Gigabit Ethernet SM91604L
Il trasformatore gigabit Ethernet LAN SM91604L di Bourns è un trasformatore a porta singola progettato per soddisfare i requisiti di comunicazione gigabit Ethernet con isolamento rinforzato. Questo trasformatore presenta una tensione di isolamento CC 4680 V (100 kHz/0,1 V), 0.35μH una tensione di lavoro 800 V e una distanza di dispersione minima di 8 mm. Il trasformatore SM91604L opera in un intervallo di temperatura da -40 °C a 105 °C ed è conforme a RoHS. Questo trasformatore include bobine di arresto di modo comune per la reiezione del rumore per applicazioni ethernet. Il trasformatore SM91604L è utilizzato negli elettrodomestici e nelle applicazioni industriali 4.0.Caratteristiche
- Progettato per soddisfare i requisiti gigabit Ethernet
- Tensione di lavoro 800 V
- Distanza di passo e di sicurezza minima 8 mm
- Induttanza di dispersione massima 0.35μH (100 kHz/0,1 V)
- Hi-Pot: 4680 VCC
- Intervallo di temperatura di funzionamento da -40 °C a 105 °C
- Livello di sensibilità all'umidità (MSL 1)
- Isolamento rinforzato secondo gli standard IEC 60664-1 e IEC 62368-1
- Conforme a RoHS
Applicazioni
- Elettrodomestici
- Settore industriale 4,0
Diagramma meccanico
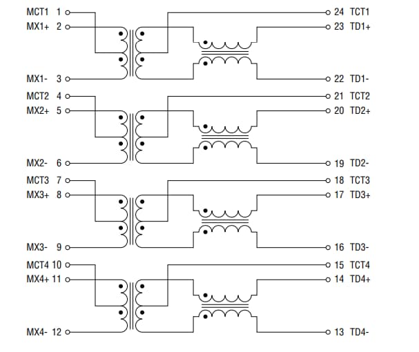
Schema elettrico
Pubblicato: 2023-10-19
| Aggiornato: 2023-11-02
