Bourns Codificatore ad anello incrementale di lunga durata PER21
Il codificatore ad anello incrementale di lunga durata PER21 Bourns offre un diametro del package di 21 mm con portata di contatto di 10 mA a 5 VCC e uscita di codice in quadratura a 2 bit. Il PER21 fornisce un feedback aptico di arresto, un tipo di montaggio a foro passante e una sensazione di rotazione di alto livello. Il codificatore ad anello incrementale di lunga durata PER21 Bourns opera in un intervallo di temperatura da -10 °C a +60 °C. Le applicazioni tipiche includono apparecchiature audio professionali, apparecchiature mediche e diagnostiche a basso e medio rischio, elettrodomestici di consumo e controlli di automazione industriale.Caratteristiche
- Codificatore incrementale di basso profilo
- Sensazione di rotazione di alto livello
- Tipo di montaggio a foro passante
- Feedback di arresto aptico
- Conforme a RoHS
Applicazioni
- Apparecchiature audio professionali
- Console di illuminazione professionale
- Elettrodomestici di consumo
- Apparecchiature mediche e diagnostiche a basso e medio rischio
- Apparecchiature di prova e di misurazione
- Apparecchiature di comunicazione
- Apparecchiature di laboratorio
- Controlli di automazione industriale
Specifiche
- Valore nominale ciclo di rotazione 50.000
- Velocità di rotazione massima di 60 giri/min
- Portata dei contatti di 10 mA a 5 VCC
- Uscita codice in quadratura a 2 bit
- Intervallo delle temperature di funzionamento da -10 °C a +60 °C
- Temperatura di conservazione: da -40 °C a +85 °C
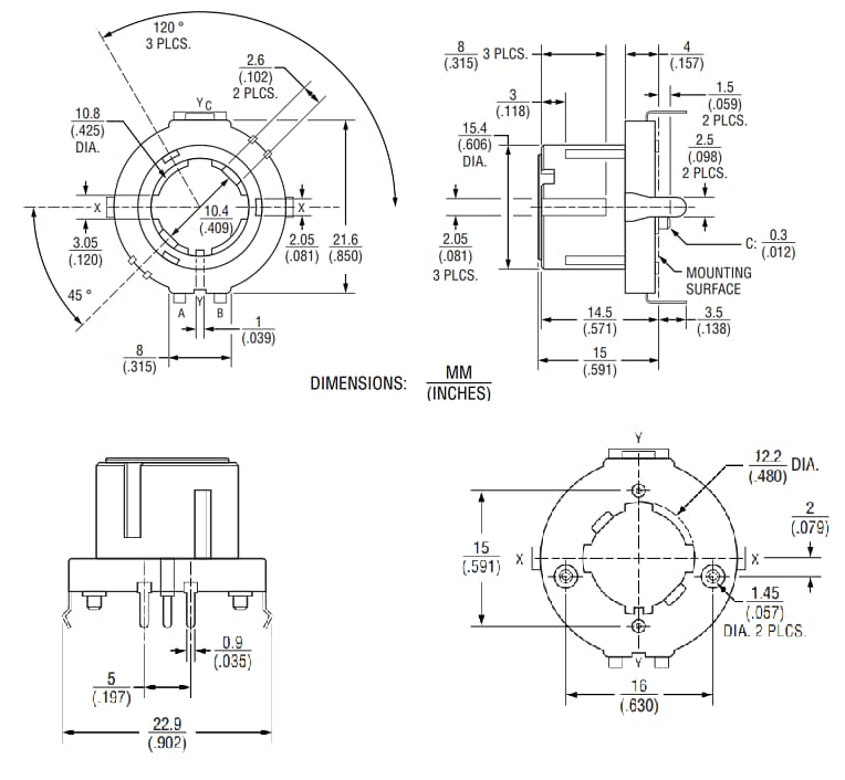
Disegno meccanico
Pubblicato: 2021-07-29
| Aggiornato: 2022-03-11
