Bourns Trasformatore flyback HVMA01F35A-ST10S
Il trasformatore flyback HVMA01F35A-ST10S di Bourns è un trasformatore flyback compatto a montaggio superficiale con una potenza nominale di 1 W. Questo trasformatore è conforme allo standard AEC-Q200, il che lo rende adatto per applicazioni del settore automobilistico. Il trasformatore HVMA01F35A-ST10S funziona in modo efficiente all'interno di un intervallo di frequenza da 100 kHz a 400 kHz e presenta un'induttanza primaria di 35 μH. Questo trasformatore flyback offre un intervallo di tensione di lavoro da 800 V a 1.000 V, garantendo prestazioni affidabili anche ad altitudini fino a 5.000 metri. Il trasformatore flyback HVMA01F35A-ST10S è ideale per l'alimentazione del pilotaggio del gate del transistor, i circuiti inverter, i sistemi di gestione delle batterie, gli azionamenti motori e le applicazioni di erogazione di potenza.Caratteristiche
- Potenza nominale di 1 W
- Intervallo di frequenza di commutazione da 100 kHz a 400 kHz
- Alta tensione di lavoro da 800 V a 1.000 V (fino a 5.000 m di altitudine)
- Trasformatore SMT con distanza superficiale di 10 mm
- Induttanza primaria di 35 μH
- Isolamento di base secondo le norme IEC 61558-2 e IEC 60664-1
- Intervallo di temperatura di funzionamento da -40 °C a 125 °C
- Conforme ad AEC-Q200 e di grado per il settore automobilistico
Applicazioni
- Potenza gate drive transistor
- Circuiti inverter
- Sistemi di gestione della batteria (BMS)
- Comandi di motori
- Fornitura di alimentazione
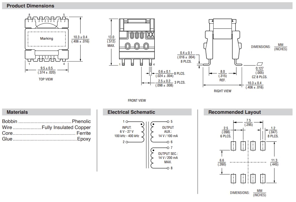
Disegni meccanici
Pubblicato: 2025-09-16
| Aggiornato: 2025-09-28
