Bourns Trasformatori di potenza conformi a AEC-Q200 HCT
I trasformatori di potenza conformi a AEC-Q200 HCT di Bourns sono trasformatori a distanza superficiale e di sicurezza elevata costruiti con un nucleo toroidale di ferrite per un elevato fattore di accoppiamento ed efficienza. I trasformatori presentano un isolamento rinforzato, distanza superficiale/di sicurezza minima 8 mm e tensione di resistenza di 5 kV per fornire un elevato grado di isolamento dai pericoli dell’alta tensione. I trasformatori di potenza conformi a AEC-Q200 HCT di Bourns sono progettati per l’isolamento degli alimentatori utilizzando i driver per trasformatore SN6501 e SN6505B di Texas Instruments. La serie è conforme agli standard IEC 60950-1, IEC 62368-1, IEC 60664-1 e AEC-Q200 per il settore automobilistico.Caratteristiche
- Conforme ad AEC-Q200
- Nucleo toroidale per accoppiamento elevato e bassa radiazione
- Isolamento rinforzato per tensione operativa di 800 V
- Conforme a IEC 60950-1, IEC 62368-1 e IEC 60664-1
- Progettati per alimentatori di isolamento con SN6501 e SN6505B TI
- Conforme a RoHS
Applicazioni
- Sistemi di gestione batteria (BMS) per il settore automobilistico
- Driver di porta per settore automobilistico
- RS485
- Interfacce CAN
- Moduli di ingresso digitali
- RS323 isolamento
Specifiche
- Tensione di ingresso da 3,3 V a 5 V
- Tensione nominale da 3,3 V a 15 V
- Corrente nominale CA 350 mA
- Induttanza primaria minima da 250 µH a 350 µH a 100 kHz
- Induttanza di dispersione da 0,6 µH a 1,8 µH a 100 kHz
- Intervallo delle temperature di funzionamento: da -40 °C a +125 °C
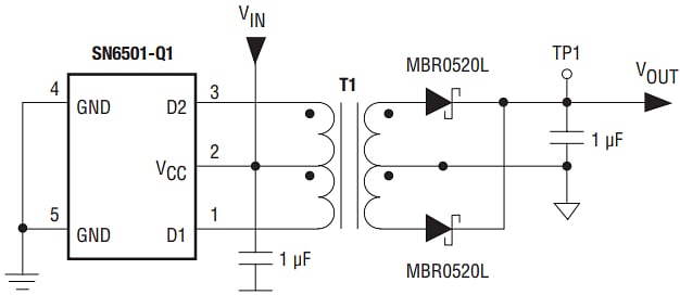
Circuito di applicazione
Schema a blocchi
Pubblicato: 2020-01-21
| Aggiornato: 2026-02-23
