
Analog Devices / Maxim Integrated MAX9276A & MAX9280A 3.12Gbps GMSL Deserializers
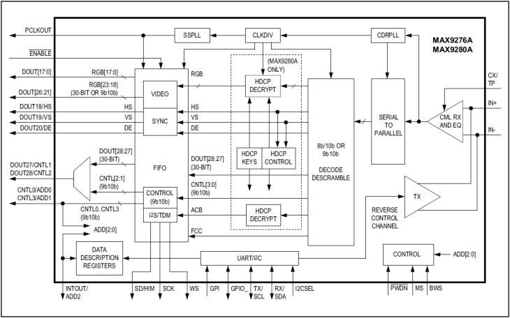
Analog Devices MAX9276A and MAX9280A 3.12Gbps GMSL (Gigabit Multimedia Serial Link) Deserializers are optimized for high-definition video applications. The MAX9276A and MAX9280A receive data from a GMSL serializer over 50Ω coax or 100Ω Shielded Twisted-Pair (STP) cable. Output deserialized data is received on the LVCMOS outputs. The MAX9280A has HDCP content protection but otherwise is the same as the MAX9276A.The MAX9276A and MAX9280A Deserializers pair with any GMSL serializer capable of coax output including the MAX9293 HDMI/MHL Serializer. When programmed for STP input they are backward compatible with any GMSL serializer.
The audio channel supports L-PCM I2S stereo and up to eight channels of L-PCM in TDM mode. Sample rates of 32kHz to 192kHz are supported with sample depth up to 32 bits.
The embedded control channel operates at 9.6kbps to 1Mbps in UART-to-UART and UART-to-I2C modes, and up to 1Mbps in I2C-to-I2C mode. Using the control channel, a µC can program serializer, deserializer, and peripheral device registers at any time, independent of video timing, and manage HDCP operation (MAX9280A). Two GPIO ports are included, allowing display power-up and switching off the backlight among other uses. A continuously sampled GPI input supports touch-screen controller interrupt requests in display applications.
For use with longer cables, the deserializers have a programmable cable equalizer. A programmable spread spectrum is available on the parallel output. The serial input meets ISO 10605 and IEC 61000-4-2 ESD standards. The core supply is 3.0V to 3.6V and the I/O supply is 1.7V to 3.6V.
The Analog Devices MAX9276A & MAX9280A 3.12Gbps GMSL Deserializers are available in lead-free, 56-pin, 8mm x 8mm TQFN and SWTQFN packages with exposed pad and 0.5mm lead pitch.
Features
- Ideal for high-definition video applications
- Works with low-cost 50ω coax cable and FAKRA connectors or 100Ω STP
- 104MHz high-bandwidth mode supports 1920x720p/60Hz display with 24-bit color
- Equalization allows 15m cable at full speed
- Up to 192kHz sample rate and 32-bit sample depth for 7.1 channel HD audio
- Audio clock from an audio source or audio sink
- Color lookup table for gamma correction
- CNTL[3:0] control outputs
- Multiple data rates for system flexibility
- Up to 3.12Gbps serial-bit rate
- 6.25MHz to 104MHz pixel clock
- 9.6kbps to 1Mbps control channel in UART, mixed UART/I2C, or I2C mode with clock-stretch capability
- Reduces EMI and shielding requirements
- Programmable spread spectrum reduces EMI
- Tracks spread spectrum on input
- High-immunity mode for maximum control-channel noise rejection
- Peripheral features for system power-up and verification
- Built-in PRBS tester for BER testing of the serial link
- Programmable choice of 8 default device addresses
- Two dedicated GPIO ports
- Dedicated "Up/Down" GPI for touch-screen interrupt and other uses
- Remote/local wake-up from sleep mode
- Meets rigorous automotive and industrial requirements
- -40°C to +105°C operating temperature
- ±8kV contact and ±15kV Air ISO 10605 and IEC 61000-4-2 ESD protection
Applications
- High-resolution automotive navigation
- Rear-seat infotainment
- Megapixel camera systems
Videos
Block Diagram
