Analog Devices / Maxim Integrated MAX25600 Synchronous Buck-Boost LED Controller
Analog Devices MAX25600 Synchronous 4-Switch Buck-Boost LED Controller is ideal as a seamless buck-boost LED driver for applications that require an efficient buck-boost LED driver with synchronous rectification. The device is also a solution for higher-power applications requiring a current source with PWM dimming capability. The Analog Devices MAX25600 Synchronous 4-Switch Buck-Boost LED Controller features a regulated LED current for LED string voltages from 0V to 60V.The MAX25600 Controller provides a seamless transition between buck, boost, and buck-boost modes depending on the input-to-output voltage ratio. An additional fault flag benefit indicates open-LED, shorted LED, or thermal shutdown conditions. The LED Controller offers analog and digital PWM dimming and built-in analog PWM dimming at a dimming frequency of 200Hz.
Analog Devices MAX25600 Synchronous 4-Switch Buck-Boost LED Controller integrates a high-side p-channel dimming MOSFET driver for PWM dimming applications that require fast rising and falling edges of the LED current. Additionally, the MAX25600 has a robust output open and short protection, is AEC qualified, and is suitable for automotive applications.
Features
- Integration minimizes BOM for high-brightness LED driver, saving space and reducing cost
- Wide input voltage range from 5V to 60V
- H-bridge single inductor buck-boost architecture
- Constant-current and constant-voltage regulation
- 28-pin TSSOP with EP pad and 28-pin (5mm x 5mm) TQFN with EP pad packages
- Wide dimming ratio allows high contrast ratio
- Analog and PWM dimming
- Flicker-Free PWM dimming with spread spectrum
- Integrated pMOS dimming FET gate driver
- 200Hz on-board ramp simplifies PWM dimming
- Protection features and wide temperature range increase system reliability
- Short circuit, overvoltage, and thermal protection
- LED current monitor and input current limiter
- -40°C to +125°C operating junction-temperature range
- AEC-Q100 qualified
Applications
- Automotive exterior lighting
- General lighting
- Commercial lighting
- Industrial lighting
Simplified Application Circuit
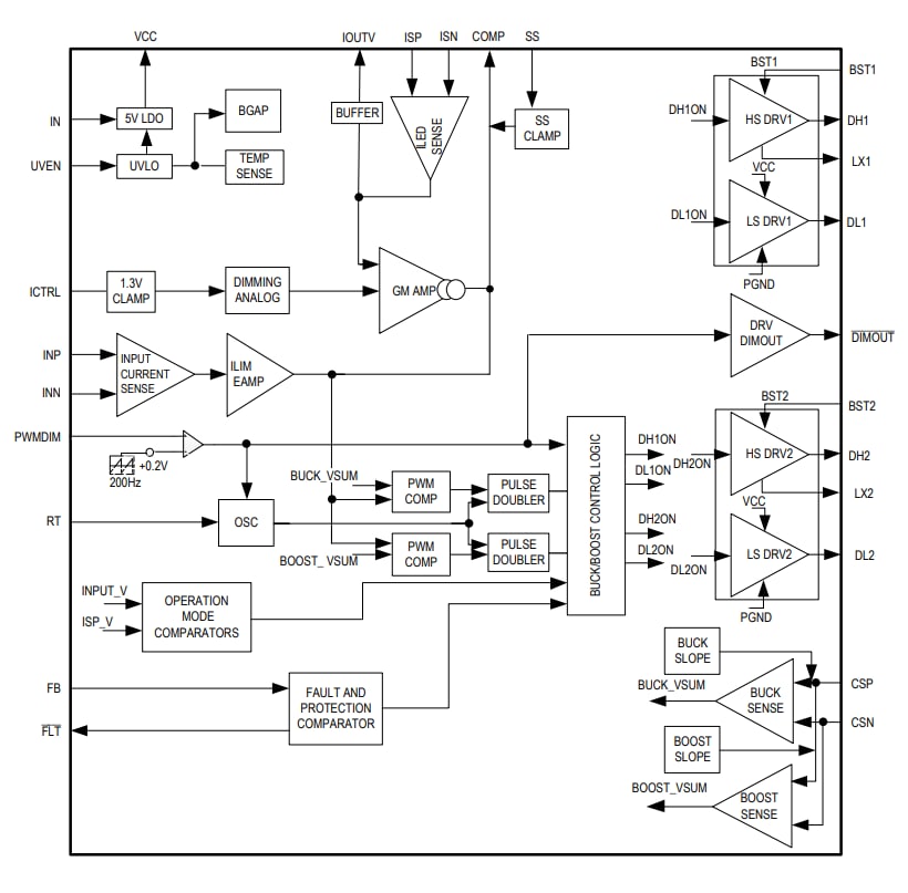
Block Diagram
Pubblicato: 2019-06-28
| Aggiornato: 2023-04-17
