Analog Devices / Maxim Integrated Driver di retroilluminazione a 4 canali per il settore automobilistico MAX25530

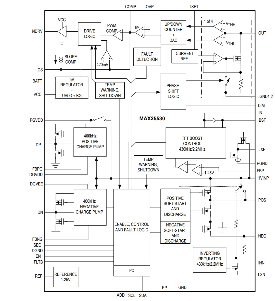
Il driver di retroilluminazione 150 mA a 4 canali controllato da I2C MAX25530 di Maxim Integrated è progettato per applicazioni TFT-LCD nel settore automobilistico. MAX25530 integra un convertitore buck-boost, un convertitore boost, due alimentatori a driver di porta e un convertitore boost/SEPIC in grado di alimentare da una a quattro stringhe di LED nella retroilluminazione del display.

Gli alimentatori per driver sorgente del MAX25530 sono costituiti da un convertitore boost sincrono e da un convertitore buck-boost di inversione in grado di generare tensioni fino a +18V e fino a -7V. Il driver sorgente positivo può fornire fino a 120mA, mentre il driver sorgente negativo può 100mA.

Le sequenze di avvio e spegnimento per tutti i domini di alimentazione sono controllate utilizzando una delle sette modalità preimpostate, selezionabili attraverso un resistore sul pin SEQ o attraverso l'interfaccia I2C.

MAX25530 di ADI è disponibile in un package TQFN da 40 pin (6 mm x 6 mm) con un pad esposto e funziona su un intervallo di temperature ambiente da -40 °C a +105 °C.

Caratteristiche

  • Potenza di polarizzazione TFT-LCD a 4 uscite
    • Ingresso da 2,8V a 5,5V per la sezione TFT-LCD
    • Convertitori boost e buck-boost da 430kHz o 2,2MHz integrati
    • Tensione di porta positiva e negativa di 10mA
    • Regolatori (tripler/duplicatore di inversione) con tensione di uscita regolabile
    • Sequenziamento flessibile del resistore programmabile attraverso il pin SEQ
    • Rilevamento di sottotensione su tutte le uscite
    • Modalità di standby a bassa corrente di riposo
  • Driver di retroilluminazione LED a 4 canali
    • Corrente fino a 150mA per canale
    • Portata di tensione di ingresso da 4,5V a 42V
    • Controller SEPIC/boost integrato (440kHz o 2,2MHz)
    • Rapporto di dimming 10.000:1 a 200Hz
    • Ottimizzazione adattiva della tensione per ridurre la dissipazione di potenza nei dissipatori di corrente LED
    • Diagnostica a stringa aperta, a LED cortocircuitato e a GND corto-corto
  • Basso livello EMI
    • Dimming a spostamento di fase delle stringhe LED
    • Spettro espanso su driver LED e TFT
    • Frequenza di commutazione selezionabile
  • Interfaccia I2C per controllo e diagnostica
    • Indicazione di guasto attraverso il pin FLTB e C2I
    • Ripetizione automatica dopo il rilevamento dei guasti
  • Protezione da sovraccarico e termica
  • Funzionamento a temperatura ambiente da -40°C a +105°C
  • Package TQFN a 40 Pin (6mm x 6mm) con pad esposto
  • AECQ100 classe 1

Applicazioni

  • Pannello di controllo per il settore automobilistico
  • Display di informazioni centrali per il settore automobilistico
  • Schermi head-up per il settore automobilistico
  • Sistemi di navigazione per il settore automobilistico

Schema a blocchi

Schema a blocchi - Analog Devices / Maxim Integrated Driver di retroilluminazione a 4 canali per il settore automobilistico MAX25530
Pubblicato: 2021-04-05 | Aggiornato: 2023-04-13