Analog Devices / Maxim Integrated Kit di valutazione MAX22199EVKIT
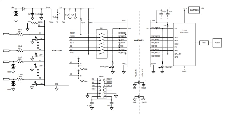
Il kit di valutazione MAX22199EVKIT di Analog Devices fornisce le applicazioni hardware e software necessarie per valutare l'ingresso digitale ottale industriale MAX22199. L'ingresso digitale ottale industriale MAX22199 traduce otto ingressi industriali di assorbimento di corrente da 24 V in un'uscita serializzata compatibile con SPI che si interfaccia con la logica da 3 V a 5,5 V. Il dispositivo di ingresso digitale industriale conforme a IEC 61131-2 funziona come otto ingressi digitali di tipo 1/tipo 3 o quattro ingressi digitali di tipo 2. Il kit di valutazione MAX22199EVKIT di Analog Devices riceve comandi da un PC attraverso la porta USB per creare un'interfaccia SPI per la comunicazione tra il software e MAX22199 montato. Il kit ha un connettore compatibile Pmod™ per la comunicazione SPI con un dispositivo host esterno come un MCU o un FPGA.Un'interfaccia utente grafica (GUI) fornisce la comunicazione tra il dispositivo target e il PC. MAX22199EVKIT è progettato per supportare i test di immunità transitoria per ESD, EFT e sovratensione secondo IEC 61000-4-2, IEC 61000-61000-4-4 e IEC 61000-4-5, rispettivamente.
Caratteristiche
- Facile valutazione del MAX22199
- Il lato logico del Kit EV è alimentato attraverso USB
- Configurato per IEC 61131-2 Tipo 1, 3
- Isolamento galvanico con MAX14483
- Supporta i test di immunità ai transitori IEC 61000-4-2, IEC 61000-4-4 e IEC 61000-4-5
- Design robusto ESD di contatto da linea a terra e da linea a linea con tolleranza di sovratensione ±2kV, ESD di contatto ±8kV e ESD di traferro ±15kV agli ingressi sul campo
- Software compatibile con Windows® 10
- Interamente assemblato e testato
- Layout della PCB comprovato
- Conforme a RoHS
Contenuto del kit
- MAX22199EVKIT#, incluso MAX22199ATJ+
- Cavo micro-USB
Apparecchiature necessarie
- Kit EV MAX22199
- Alimentazione di tensione a 24V CC (o adattatore CA-CC a 24V con connettore a cilindro)
- Cavo micro-USB
- PC Windows 10, Windows 8.1, Windows 7, Windows XP PC con una porta USB di ricambio
Schema a blocchi di sistema
Pubblicato: 2021-11-09
| Aggiornato: 2023-04-17
