Analog Devices / Maxim Integrated Controller caricabatterie MAX17702
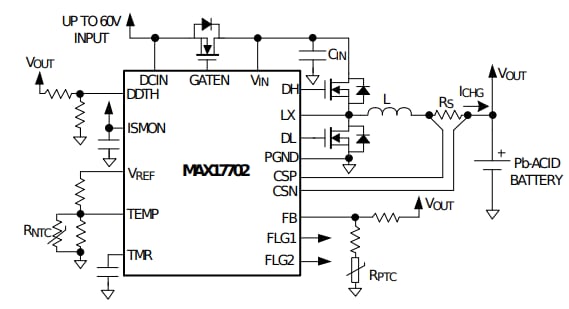
Il controller caricabatterie acido piombo step-down MAX17702 di Analog Devices è un controller caricabatterie al piombo Himalaya (acido Pb) sincrono, ad alta tensione e step-down ad alta efficienza progettato per funzionare su una portata di tensione di ingresso da 4,5 V a 60 V.Il controller caricabatterie al piombo Analog Devices MAX17702 funziona su un'ampia portata della temperatura da -40 °C a +125 °C e fornisce una soluzione completa di caricamento per le batterie al piombo con una precisa regolazione della corrente costante del ±4%. La tensione di uscita è programmabile da 1,25V fino a (V CCIN - 2,1V) con precisione di regolazione di ±1%. Il dispositivo utilizza un nMOSFET esterno per fornire protezione da cortocircuiti sul lato dell'alimentazione di ingresso, prevenendo la scarica della batteria.
MAX17702 carica la batteria in stati di corrente costante (CC), stati di tensione di assorbimento costante (CV) ed entra in stato CV flottante dopo aver rilevato la soglia di corrente concava o il timeout del temporizzatore CV di assorbimento in stato CV di assorbimento. Un comparatore di rilevamento di scarica profonda consente il rilevamento e il pre-condizionamento di batterie scaricate in profondità.
MAX17702 è alloggiato in un package TQFN a 24 pin da 4mm x 4mm con un pad esposto.
Caratteristiche
- Set di funzionalità ottimizzate per batterie al piombo
- Precisione regolazione corrente di carica ±4%
- Precisione del monitor della corrente di carica ±6% (ISMON)
- Precisione regolazione tensione ±1%
- Corrente di carica programmabile (CC) modalità corrente di carico (ILIM)
- Rilevamento batteria completa con soglia di corrente di variazione e temporizzatore CV di assorbimento (TMR)
- Ampia portata di tensione di ingresso da 4,5V a 60V
- Intervallo di tensione di uscita regolabile da 1,25V fino a (VCCIN - 2,1V)
- Frequenza regolabile da 125 kHz a 2,2 MHz con
- Sincronizzazione clock esterno (RT/SYNC)
- Funzionamento affidabile in condizioni ambientali negative
- Protezione da cortocircuiti in ingresso (GATEN)
- Rilevamento e pre-condizionamento della batteria a scarico profondo (DDTH)
- Rilevamento della temperatura della batteria e carica quando la temperatura rientra nella portata (TEMP)
- Compensazione tensione della temperatura di uscita
- Limite di sovracorrente ciclo per ciclo
- Soglia EN/UVLO programmabile
- Monitoraggio dell'uscita di stato utilizzando uscite a svuotamento aperto (FLG1 e FLG2)
- Protezione da sovratemperatura
- Intervallo delle temperature di funzionamento ambiente da -40°C a +125°C / Portata della temperatura di giunzione da -40°C a +150°C
Applicazioni
- Carica della batteria industriale e accumulo di energia
- Utensili elettrici
- Backup della batteria per illuminazione, videocamere di sicurezza e pannelli di controllo
- Apparecchiature industriali portatili
- Alimentazione di backup per l'edilizia e la casa
Circuito applicativo semplificato
