Analog Devices Inc. ADC SAR LTC2387-16 e LTC2387-18
I convertitori analogico/digitale (ADC) SAR LTC2387-16 e LTC2387-18 di Analog Devices Inc. sono ADC a basso rumore, alta velocità, con registro ad approssimazioni successive (SAR), a 16 e 18 bit 15 Msps progettati per una vasta gamma di applicazioni. Gli ADC LTC2387-16 e LTC2387-18 sono ideali per applicazioni di imaging e strumentazione ad alta velocità con la combinazione di eccellente linearità e un'ampia gamma dinamica.Gli ADC SAR LTC2387-16 e LTC2387-18 offrono un funzionamento senza latenza che consente una soluzione unica per applicazioni a circuito di controllo ad alta velocità. La distorsione molto bassa a frequenze di ingresso elevate consente alle applicazioni di comunicazione che necessitano di un ampio intervallo dinamico e di una larghezza di banda del segnale significativa. I dispositivi presentano un'interfaccia digitale seriale LVDS per supportare il funzionamento ad alta velocità riducendo al minimo le linee di dati. L'interfaccia LVDS ha modalità di uscita a una e due vie, consentendo all'utente di ottimizzare la velocità dei dati di interfaccia per ciascuna applicazione.
Gli ADC SAR LTC2387-16 e LTC2387-18 di Analog Devices Inc. hanno una dissipazione di potenza di 125 mW e sono alloggiati in un package QFN a 32 pin (5 mm × 5 mm).
Caratteristiche
- Velocità di flusso 15 MSPS
- Nessun ritardo di pipeline, nessuna latenza di ciclo
- 93,8 dB SNR (tip.) a fIN = 1 MHz (LTC2387-16), 95,7 dB SNR (tip.) a fIN = 1 MHz (LTC2387-18)
- 102 dB SFDR (tip.) a fIN = 1 MHz
- Campionamento Nyquist fino a 7,5 MHz di ingresso
- Garantito a 16 bit, (LTC2387-16), garantito a 18 bit (LTC2387-18), senza codici omessi
- ±0,8 LSB INL (Max) (LTC2387-16), ±3 LSB INL (Max) (LTC2387-18)
- Ingressi differenziali 8,192 VP-P
- Alimentazioni da 5 V e 2,5 V
- Riferimento interno 20 ppm/°C (Max)
- Interfaccia seriale LVDS
- Dissipazione di potenza 125mW
- Package QFN a 32-pin (5mm × 5mm)
Applicazioni
- Acquisizione dati ad alta velocità
- Imaging
- Comunicazioni
- Circuiti di controllo
- Strumentazione
- Applicazioni ATE
Scheda dati
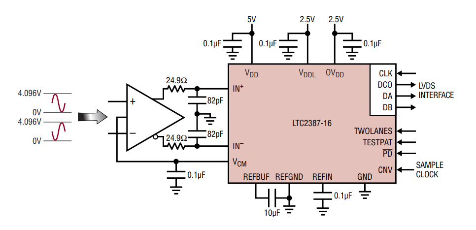
Applicazione tipica
