Analog Devices Inc. Kit di valutazione EVAL-ADN4680E
Il Kit di valutazione EVAL-ADN4680E di Analog Devices Inc. è progettato per dimostrare rapidamente e facilmente i ricetrasmettitori quadrupli M-LVDS ADN4680E. I ricetrasmettitori ADN4680E Quad M-LVDS sono coppie di driver e ricevitori che possono funzionare fino a 125 MHz o 250 Mbps senza ritorno a zero (NRZ). Il driver e il ricevitore di ciascun ricetrasmettitore sono collegati in configurazione half-duplex. Questa configurazione consente di configurare ciascun ricetrasmettitore tramite pin di abilitazione indipendenti per l'invio o la ricezione dei dati. L'EVAL-ADN4680EEBZ è ottimizzato per la segnalazione ad alta velocità.Il Kit di valutazione EVAL-ADN4680E ADI offre tracce di segnale M-LVDS differenziali sulla scheda instradata come coppia differenziale di lunghezza corrispondente a 100 Ω. L'ingresso digitale DIx e l'uscita del ricevitore ROx presentano una lunghezza accoppiata e sono instradati con una terra di impedenza controllata di 50 Ω. L'EVAL-ADN4680EEBZ fornisce un piano di alimentazione e messa a terra solido per un'integrità di potenza ottimale.
L'EVAL-ADN4680EEBZ ha un ingombro per i ricetrasmettitori ADN4680E in un LFCSP a 48 conduttori da 7 mm × 7 mm.
Caratteristiche
- Facile valutazione dei ricetrasmettitori M-LVDS quadrupli, half-duplex, ADN4680E a 250 Mbps
- Layout della scheda ottimizzato per segnali ad alta velocità
- Lunghezze di traccia corrispondenti su coppie differenziali M-LVDS con impedenza differenziale controllata di 100 Ω
- Lunghezze di tracciamento combinate su segnali logici DIx e ROx ad alta velocità con impedenza di 50 Ω controllata a GND
- Jack SMA per il collegamento a segnali logici DIx e ROx ad alta velocità e segnali Ax e Bx M-LVDS
- Connettori con terminale a vite opzionali per accedere ai segnali logici ROx, REx, DEx e DIx
- Connessioni di alimentazione e messa a terra attraverso blocchi terminali a vite
- Spegnimento globale selezionabile da ponticello tramite il pin ENP
- Abilitazione driver selezionabile tramite ponticello, abilitazione del ricevitore e sicurezza intrinseca per ciascun ricetrasmettitore tramite i pin REx, DEx e FSx
- Punti di prova per la misurazione di tutti i segnali e punti di terra multipli per facilitare il controllo di segnali multipli
- Resistori di terminazione da 100 Ω su segnali Ax E Bx per simulare un bus terminato
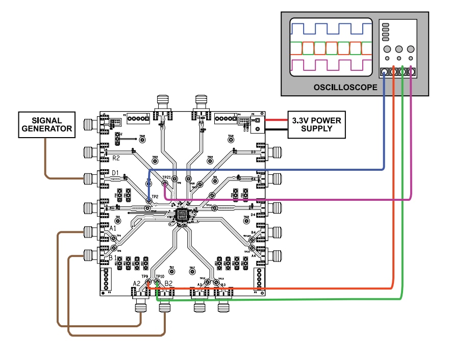
Apparecchiature necessarie
- Oscilloscopio a 4 canali
- Generatore di segnale
- Alimentazione da 3,0 V a 3,6 V
Panoramica
Configurazione della scheda di valutazione
Pubblicato: 2021-10-28
| Aggiornato: 2022-03-11
