![]() | ||
LED OSRAM DURIS E 5I LED E5 DURIS™ OSRAM Opto Semiconductors offrono un'elevata efficienza fino a 112 lm/W (a 6000 K/70 CRI) e un ampio angolo del fascio di 120º in un fattore di forma compatto (5,6 mm x 3,0 mm). Questi LED da 0,5 W sono certificati ANSI e hanno un CCT da 2700 K a 6500 K, con opzioni CRI tra 70-85. Il flusso luminoso tipico va da 41 lm (3000 K/85 CRI) a 45 lm (6000 K/70 CRI) a 120 mA. Queste caratteristiche fanno del LED E5 DURIS™ OSRAM Opto Semiconductors il LED ideale per applicazioni di illuminazione omoegnea dove il DURIS™ E 5 non manca mai di stupire per le sue prestazioni sul livello del sistema. Le caratteristiche di packaging e i vantaggi di questa serie includono la tecnologia di stampaggio realizzata con InGaN su Sapphire e un package SMT bianco con resina siliconica colorata diffusa. Le applicazioni più comuni per i LED Duris E 5 LED comprendono retrofit di lampade, illuminazione mirata, elettrodomestici e indicazione dei canali. Ora disponibile! Visualizza i LED OSRAM Opto Semiconductors DURIS™ E 3
| ||
|
| ||
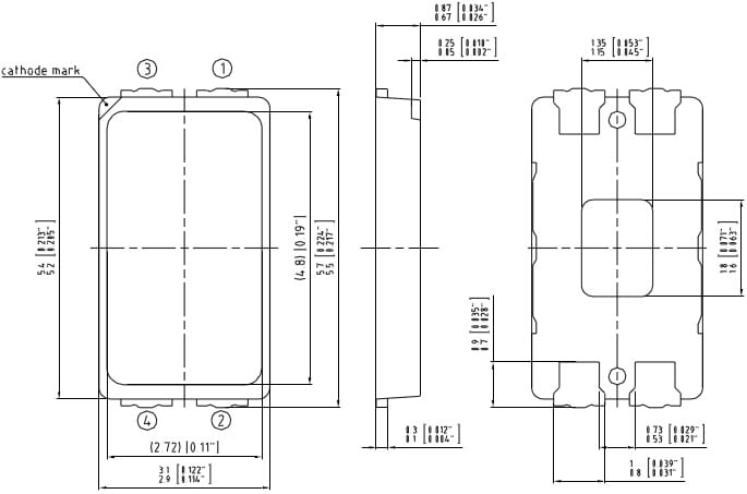
Dimensioni pacchetto in mm ![]() | ||
![]() |
Pubblicato: 2011-12-07
| Aggiornato: 2025-06-20





