ABLIC S-19990 Flyback Switching Regulator Controller ICs
ABLIC S-19990 Flyback Switching Regulator Controller ICs are designed using high withstand voltage CMOS process technologies. These ICs operate within the 3V to 36V input voltage range and -40°C to 125°C temperature range. The S-19990 ICs provide low-voltage operation after startup (bootstrap configuration) and a current mode control system. The built-in thermal shutdown circuit limits overheating, and a built-in spread spectrum clock generation circuit enhances the EMI performance of the system. Typical applications include automotive start-stop systems, emergency battery backup systems, automotive LED lamps, and automotive and industrial step-up flyback converters.Features
- 3V to 36V input voltage range
- Low voltage operation after startup (bootstrap configuration)
- ±1.5% FB pin voltage accuracy
- 2.2MHz typical to 400kHz typical oscillation frequency
- FSSS = +6% typical (Diffusion rate) spread spectrum clock generation function
- Pulse-by-pulse method overcurrent protection function
- 170°C typical (detection temperature) thermal shutdown function
- Hiccup control and latch control (Short-circuit protection function)
- 5.8ms typical soft-start function
- 2.75V typical (detection voltage) Under Voltage Lock-Out function (UVLO)
- Ceramic capacitor compatible
- -40°C to 125°C operating temperature range
- Lead-free (Sn 100%)
- Halogen-free
- Withstand 45V load dump
Applications
- Automotive use:
- Engine
- Transmission
- Suspension
- ABS
- EV/HEV/PHEV
- Automotive and industrial step-up flyback converters
- Automotive start-stop systems
- Emergency battery backup systems
- Automotive LED lamps
Block Diagram
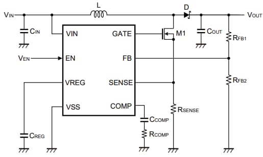
Typical Application Circuit
Efficiency
Pubblicato: 2025-02-26
| Aggiornato: 2025-03-28
